

鑫图sCMOS相机节后开机指南!
1、确认相机安装孔位
每台鑫图相机都有专门设计的安装固定孔,如您不清楚相机的固定孔位置和尺寸可参考官网对应相机页面的结构图纸确认,以Dhyana 400BSI V3为例,其固定孔图纸如下所示:

Dhyana 400BSI V3固定孔位于相机底面,为4个M4螺纹孔。
需要注意的是,相机为精密设备,固定时请务必确认已固定牢固,以防意外跌落造成窗片等易损件出现损坏。
2、确认制冷系统工况
若您需要用到相机的水冷功能,请参考以下第①模块进行设置, 使用相机风冷功能的用户请参考第②模块进行设置。
① 确认水冷系统
1) 将相机放置于平稳的工作台上;
2) 将水冷管连接到相机上面的水管接头上,确保插入到位,如下图所示;

3) 将水管插到冷却水循环机的水嘴上并用卡箍锁紧;
4) 冷却水循环机水管与相机水管通过转接阀进行连接。
如果相机水冷已使用一段时间需要更换冷却水,可以参照以下步骤进行。
1) 将冷水机工作状态切换为待机状态,并拔掉电源插头;
2) 机器后部,旋开排水塞即可排空水箱;
3) 将干净的循环水添加到水箱最低液位线上,以免水量过低,而引起冷水机故障报警。当然,为了使冷水机达到更好的效果,推荐可将液位尽量接近最高液位线;
4) 拧好水槽口盖子,小型冷水机的换水即完成。
在水冷系统连接完成后,可打开水冷机,确认水路是否连通,如果已经连通,水冷机水位会因相机内部管路和水管内空气排出而出现液面下降,此时应当注意水冷机是否需要补充循环水。

注:为保持相机良好的工作状态,循环水应当使用去离子水,建议每3-6个月更换,具体时间视具体情况而定。
② 确认风冷系统
如您使用的相机不需要使用水冷散热,那么可以参考如下风冷散热相机注意事项,以Dhyana 400BSI V3作为示例,相机风道如图所示:

1) 确认您安装相机后风道(进风口和出风口)无遮挡,遮挡将可能造成相机异常升温,严重时可能造成电路损坏;
2) 相机打开后确认风扇是否正常转动;
3) 如果在封闭环境中操作相机,安装时请确保相机进风口和出风口之间至少有20cm的间隙。
3、连接相机电气接口
第三步,咱们介绍如何正确地完成相机电气连接,仍以Dhyana 400BSI V3为例:

1) 将相机电源和USB线连接好,请尽可能使用原装线缆直连;
2) 确认电脑接口为USB3.0接口(蓝色接口或带SS标志);
3) 打开相机电源,确认相机指示灯点亮。如您相机指示灯在打开电源后未亮,请检查相机供电是否正常或前次实验是否设置关闭相机指示灯;
4) 在设备管理器中确认相机型号已正确识别,正确识别的相机设备管理器页面如图所示,如未识别到相机,请检查相机驱动是否正确安装。

5) 正确执行以上步骤后,打开相机软件,确认预览图像是否正常;
6) 将曝光时间设置为最短,确认相机是否达到设计最大全幅面帧率,如未达到,请确认USB端口供电和传输带宽或更换USB端口。
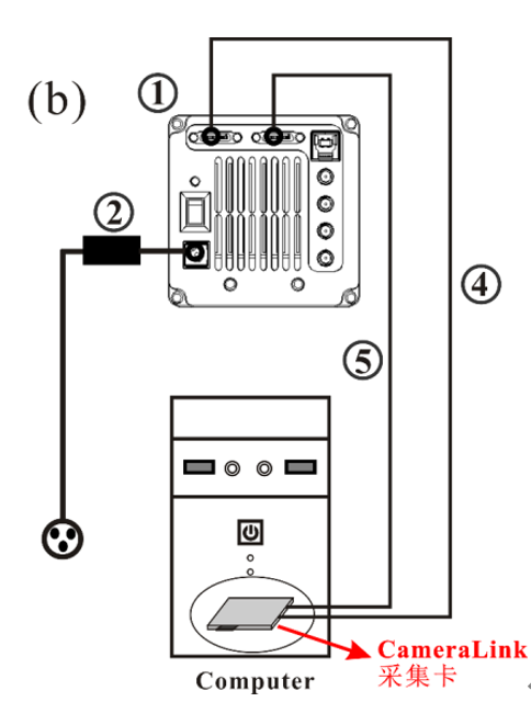
如需使用Dhyana 400BSI V3的CameraLink连接接口,其步骤如下:


1) 将相机电源连接好,请尽可能使用原装线缆直连;
2) 将电脑关机,打开电脑主机的盖板,如图8所示。选择传输带宽大于850MB/s的PCIe插槽将采集卡插好,用螺丝进行固定后再将电脑重新启动;
3) 确认CameraLink采集卡驱动是否正确安装。
4) 确认CameraLink线序正确,相机通过两条CameraLink线对应连接电脑主机上已安装的CameraLink采集卡CameraLink1和CameraLink2接口,接口顺序需要一一对应;
5) 正确执行以上步骤后,打开相机软件,确认预览图像是否正常;
6) 将曝光时间设置为最短,确认相机是否达到设计最大全幅面帧率,如未达到,请确认是否还有其他参数设置问题。
以上步骤都无问题后,就可以愉快地开始实验啦!
文章来源:鑫图光电